MANUAL DE INSTALACIÓN DE PLANTAS ELÉCTRICAS DE EMERGENCIA / PLANTAS DE LUZ
Coordinación general del proyecto,
investigación y logística:
Gerencia de Servicio de KOSOV
Todo lo contenido en este manual, incluyendo, textos, gráficos, logotipos, fotografías e ilustraciones, son propiedad de KOSOV, y se encuentran protegidos sus derechos.
Le agradecemos nos haga saber sus comentarios acerca del mismo, al siguiente correo: Esta dirección de correo electrónico está siendo protegida contra los robots de spam. Necesita tener JavaScript habilitado para poder verlo., y con gusto tomaremos en cuenta sus sugerencias y/o comentarios. Gracias.
©Derechos Reservados. KOSOV
Impreso en México.
www.kosov.com.mx
Página 3
TABLA DE CONTENIDO
Página
1 CONSIDERACIONES GENERALES 4
1.1 OBJETIVO 1…………………………………………………... 4
1.2 OBJETIVO 2…………………………………………………… 4
2 LUGAR DE INSTALACIÓN 4
2.1 UBICACIÓN DEL LUGAR………………………………….. 4
2.2 ÁREA DEL LUGAR DE INSTALACIÓN………………….. 5
3 BASE DE CONCRETO 6
3.1 CONCEPTOS GENERALES………………………………. 6
3.2 DIMENSIONES…………………………………………........ 6
3.3 FIJACIÓN DEL EQUIPO................................................ 7
4 VENTILACIÓN 7
4.1 CONCEPTOS GENERALES……………………………….. 7
4.2 AIRE PARA LA COMBUSTIÓN………………………….... 9
4.3 AIRE PARA ENFRIAMIENTO……………………………… 9
5 MONTAJE 10
5.1 CONCEPTOS GENERALES……………………………….. 10
6 TUBERIA DE ESCAPE 11
6.1 CONCEPTOS GENERALES……………………………….. 11
6.2 DISPOSICIÓN DE TUBERÍA……………………………….. 11
6.3 INSTALACIÓN………………………………………………... 13
7 TUBERIA DE COMBUSTIBLE 15
7.1 CONCEPTOS GENERALES………………………………… 15
7.2 TUBERÍAS DE COMBUSTIBLE……………………………. 15
7.3 TANQUE DE SUMINISTRO…………………………………. 15
7.4 TANQUE DE DIARIO………………………………………… 16
8 TABLERO CONTROL Y TRANSFERENCIA 17
8.1 CONCEPTOS GENERALES……………………………….. 17
8.2 LUGAR DE INSTALACIÓN…………………………………. 17
8.3 CABLEADO DE FUERZA (C.A.) …………………………... 17
8.4 CABLEADO DE CONTROL (C.D.) ………………………... 18
9 ATERRIZAJE DEL EQUIPO 19
9.1 CONCEPTOS GENERALES………………………………... 19
Página 4
1 CONSIDERACIONES GENERALES
1.1 OBJETIVO 1
Dar una visión general para la instalación de plantas eléctricas de emergencia con combustible diesel, con potencia desde 10 kW hasta 1,200 kW, en proyectos en edificios, industrias, comercios y residencias, para que los equipos trabajen de manera adecuada.
Figura 1. Instalación típica de una planta eléctrica de emergencia

1.2 OBJETIVO 2
Esta guía nos describe los requisitos generales a cumplir para poder hacer la entrega final del equipo por parte de nuestros técnicos (arranque del equipo), ya que al detectar fallas en la instalación no será posible hacer el arranque que es necesario para poder garantizar el equipo.
2 LUGAR DE INSTALACIÓN
2.1 UBICACIÓN DEL LUGAR
2.1.1 Consideraciones
a. Deberá estar cerca de los equipos de distribución eléctrica, por fines prácticos y ahorro de materiales.
b. Considerar ruidos y vibraciones.
c. Deberán garantizar un suministro de aire para enfriamiento, tanto en cantidad temperatura y limpieza.
d. Dirigir los gases de escape para no afectar personas o fachadas.
e. Deberán tener presente la descarga de aire caliente.
f. Garantizar facilidades para el suministro de combustible.
g. Tener buena accesibilidad al área.
Página 5
2.1.2 Cualquiera que sea la solución, se deberá garantizar que la operación del equipo no produzca daños a terceros.
2.1.3 Solo las plantas eléctricas que cuenten con caseta acústica podrán ser instaladas en áreas abiertas. Y los equipos que no, tendrán que ser instaladas en áreas cerradas o techadas.
2.1.4 En caso de que la planta de emergencia se localice en lugares elevados, deberán realizarse cálculos estructurales correspondiente que garanticen la instalación segura, que no afecte personas, equipos u otras estructuras.
2.2 ÁREA DEL LUGAR DE INSTALACIÓN
2.2.1 Deberá ser suficiente para garantizar el flujo de personal de mantenimiento y/o reparación, de acuerdo a la Tabla A, tomando en cuenta que el espacio libre a dejar para la circulación del personal a ambos lados del equipo dependerá de su capacidad, pero nunca menor a un metro entre la pared y el chasis u otro equipo colindante.
2.2.2 Deberá permanecer limpia, seca y bien iluminada y no sujeta a posibles inundaciones.
2.2.3 En caso de instalación de dos o mas equipos en un mismo cuarto, la separación entre los mismos será de 1.5 metros, y deberán tener espacios independientes para las descargas de aire.
2.2.4 El espacio libre del lado del generador no será menor a 1.20 metros para permitir la remoción del equipo cuando sea necesario.
2.2.5 Se tendrá una puerta que permita el paso de la planta eléctrica de emergencia y equipos auxiliares para levantarla y moverla. Preferentemente, la puerta estará en un lugar próximo al extremo del eje del generador-motor del lado del generador.
2.2.6 No utilizar este cuarto como almacén.
Tabla A. Área mínima del local en relación a la potencia.
|
Potencia (kW) |
Área (m²) |
|
10-30 |
9 |
|
35-60 |
12 |
|
80 -135 |
15 |
|
150-300 |
18 |
|
350-450 |
22 |
|
500-600 |
27 |
|
700-900 |
34 |
|
1000-1200 |
40 |
Página 6
3 BASE DE CONCRETO
[Planos de cimentación para plantas eléctricas de 10 kW a 600 kW]
3.1 CONCEPTOS GENERALES
3.1.1 La base sobre la cual se instalará la planta eléctrica será de concreto armado con una resistencia a la compresión a los 28 días de por lo menos 210 kgs/cm², para evitar la deflexión y prevenir la vibración.
3.1.2 Está base deberá estar separada físicamente y tener un envarillado independiente a la estructura que lo rodea a fin de aislar la vibración, con excepción de las plantas eléctricas menores de 125 kW o las instaladas en pisos elevados. El efecto de las vibraciones instaladas en pisos elevados deberá ser considerado en el análisis estructural del edificio.
3.1.3 Es recomendable que la elevación de la base sea entre 10 y 15 cm superior al nivel del piso, para evitar que líquidos que se derramen entren en contacto con el chasis, minimizando así la corrosión y para facilitar ciertas labores de mantenimiento, como el drenaje de aceite cambio de correas entre otros.
3.2 DIMENSIONES
3.2.1 El peso de la base físicamente aislada del piso que la rodea deberá tener cuando menos dos veces el peso de la planta eléctrica de emergencia, para resistir la carga dinámica.
3.2.2 Para el dimensionamiento y cálculo de la base de deberá tener en cuenta las siguientes recomendaciones:
La base deberá ser de dimensiones superiores en por lo menos 15 cm más que el ancho y largo del chasis de la planta, respectivamente.
La altura mínima H o espesor de la base deberá ser tal que garantice el peso W indicado en 3.2.1, el cual será determinado a partir de la siguiente formula:
H= W / (ɣ x A x L)
En donde:
W = Peso total del equipo.
ɣcon = Peso específico del concreto: 2,400 kg/m³
A = Ancho de la base.
L = Largo de la base.
3.2.3 En modelos pequeños y medianos será permitido el uso de bases macizas sencillas, o de doble y triple pedestal.
Página 7
3.3 FIJACIÓN DE LA PLANTA Y AISLAMIENTO DE LA VIBRACIÓN
3.3.1 La planta eléctrica de emergencia deberá ser instalada con sus correspondientes aisladores, para minimizar la vibración que se pueda transmitir a la edificación.
3.3.2 En todos los casos la planta eléctrica deberá estar atornillada a la base, sea a través del chasis o los aisladores de vibración, para prevenir deslizamientos. Esto se hará
usando tornillos de anclaje o expansión industriales de acero.
3.3.3 Se deberán proveer elementos flexibles que aíslen la vibración entre la planta eléctrica de emergencia y cualquier conexión externa, como son:
a) Tuberías de combustible.
b) Conducto para gases de escape de combustión.
c) Conducto de aire de enfriamiento del radiador.
d) Tuberías para los cables eléctricos, tanto de control como de potencia.
4 VENTILACION
4.1 REQUISITOS GENERALES
4.1.1 La ventilación de la planta eléctrica de emergencia deberá:
a) Permitir la entrada de aire suficiente, en calidad y temperatura, para remover el calor irradiado por el motor, el generador y tubería de gases de escape.
b) Garantizar aire limpio para el proceso de combustión del motor.
c) Permitir la entrada de un volumen de aire suficiente para suplir el flujo requerido por el radiador, esto aproximadamente 1.5 veces el área del radiador.
4.1.2 Al instalar el sistema de ventilación se deben considerar los siguientes aspectos:
a) La localización de la entrada y salida de aire hacia y desde el local. La entrada y salida de aire no deberán estar próximas una de la otra.
b) La temperatura ambiente y la temperatura del aire próximo a la entrada de aire del local.
c) La ruta del ducto de salida de aire.
d) Una solución que tenga en cuenta el aislamiento del ruido. En la mayoría de los casos en necesario considerar una trampa de ruido en la entrada y salida de aire.
e) Si la entrada de aire será natural o forzada mediante ventilador.
4.2 AIRE PARA LA COMBUSTION
4.2.1 El aire para la combustión deberá ser limpio y tan fresco como sea posible. En la mayoría de las instalaciones este aire está disponible en el área que rodea la instalación y es succionado por los filtros.
4.2.2 Si debido a exceso de polvo, suciedad o calor el aire no fuera adecuado para la combustión, se tendrá que instalar un ducto desde una fuente de aire limpio y fresco, sea desde otra área dentro o fuera del edificio.
Página 8
4.3 AIRE PARA ENFRIAMIENTO
4.3.1 Entrada de aire
4.3.1.1 Se dispondrá la entrada de aire de manera que garantice que el flujo de aire siga la ruta Generador – motor – radiador.
4.3.1.2 El área de entrada de aire estará en relación directa con el área del panel del radiador. Dicha área será por lo menos 1.5 veces el área del panel del radiador.
4.3.1.3 Si el área de entrada tiene ventanas deflectoras se deberá considerar el área efectiva, es decir, el área que los deflectores dejan libre parta el paso del aire, y no el área total de la ventana.
4.3.2 Salida de aire
4.3.2.1 Después del radiador, sobre todo en los equipos grandes, deberá haber un ducto que conduzca el aire cálido fuera del local para evitar que se recircule, afectando la capacidad de enfriamiento del equipo, y por lo tanto su operación eficiente.
4.3.2.2 Si el ducto de salida de aire se acopla al marco del radiador deberá tener una sección flexible para evitar vibraciones. La distancia del radiador a la zona de descarga de aire caliente será la menor posible.
4.3.2.3 En caso de que allá ventanas deflectoras en las salidas de aire se considerará el área efectiva, no el área total.
4.3.2.4 El área de salida de aire estará en relación directa con el área del radiador y será por lo menos 1.3 veces el área del panel del radiador.
4.3.2.5 La descarga del ducto de salida de aire no estará expuesta a vientos de alta velocidad para evitar la reducción de descarga del ventilador y la reducción de la capacidad de descarga del equipo.
4.3.2.6 Los cambios de dirección en el ducto de salida deberán ser efectuados con una curva suave para que no halla restricción en el flujo de aire.
4.3.2.7 Cuando se hagan cambios de dirección es recomendable aumentar en área del ducto en por lo menos, un factor de 1.25 en relación con lo establecido en el artículo 4.3.2.4
4.3.2.8 El ducto de salida de aire, tanto en su forma como en su longitud, deberá presentar el mínimo de restricciones al flujo de aire.
4.3.2.9.9 El ducto de salida de aire, deberá descargar a un área abierta.
Página 9
4.3.2.9.10 El conducto de salida de aire no deberá descargar hacia áreas de flujo peatonal a menos que esté a una altura superior a dos metros cuando la capacidad de la planta eléctrica sea menos de 125 kW y tres metros en plantas eléctricas de 150 kW y mayores.
Figura 2. Consideraciones de ventilación

4.3.2.9.11 Si el equipo cuenta con caseta acústica, se debe considerar lo siguiente:
a) El aire caliente del radiador es dirigido hacia arriba.
b) De no tener la altura y espacio suficiente el cuarto en donde se instala la caseta, se deberá instalar un desviador de aire adicional que también nos ayuda a disminuir aún más el ruido producido por el equipo.
Figura 3. Bafle acústico de salida de caseta

c) Al igual que la salida directa del aire del radiador con este ducto desviador se debe considerar una lona flexible para canalizar adecuadamente el aire caliente.
Página 10
Figura 4. Consideraciones de ventilación con caseta acústica

5 MONTAJE
5.1 GENERALIDADES
5.1.1 Al fijar un equipo debemos tener en consideración dos cosas:
5.1.1.1 Las plantas eléctricas de emergencia tiene integrados aislantes de hule entre el grupo electrógeno y base-tanque(o patín), estos son equipos menores de 130 kW, por lo que solo se requiere montar aislantes de hule entre la base de la planta eléctrica y el piso, la fijación se hará con taquetes expansivos de 3/8 pulg.
Figura 5. Montaje sobre tacones de hule.

5.1.1.2 Las plantas eléctricas de emergencia de 150 kW o mayores, regularmente “no” tiene integrados aislantes de hule entre grupo electrógeno y base tanque (o patín), por lo que se requiere instalar amortiguadores de resorte la fijación se hará con taquetes expansivos de 3/8 pulg.
Página 11
Figura 5. Montaje sobre tacones de resorte.

6 TUBERÍAS DE ESCAPE
6.1 CONCEPTOS GENERALES
6.1.1 Los gases de escape de cualquier planta eléctrica instalada bajo techo deben ser conducidos mediante tuberías libres de fugas a un lugar apropiado hacia fura del edificio.
6.1.2 La tubería para el escape de los gases de combustión debe cumplir los siguientes propósitos:
a) Dirigir los gases hacia la atmósfera. Por tanto, hacia un lugar abierto y preferiblemente alto donde ni el humo, ni los olores, ni la temperatura, ni el hollín causen perjuicio.
b) Reducir el ruido.
6.1.3 Deberá ser incorporado un silenciador a la tubería de escape para reducir el nivel de ruido.
6.1.4 El silenciador podrá ser instalado en el interior o en el exterior del edificio sin distinción.
6.2 DISPOSICIÓN DE TUBERÍA
6.2.1 El conducto de salida de los gases deberá descargar en un espacio libre, alejado de puertas y ventanas.
6.2.2 La descarga de los gases, debido a sus altas temperaturas, estará alejada de materiales o sustancias inflamables.
6.2.3 El extremo del conducto de salida de los gases deberá estar alejado de la entrada de aire de enfriamiento, regularmente en paredes opuestas del local y siempre el ducto estará situado más alto que la entrada de aire.
Página 12
6.2.4 Sin dejar de cumplir con lo establecido en los artículos 5.2.1 y 5.2.2, la tubería de escape será lo más recta posible.6.2.5 Para no crear contrapresiones que afecten la vida y el funcionamiento del equipo se deberán cumplir las siguientes recomendaciones:
a) El diámetro de la tubería de escape será igual o mayor del diámetro de salida del turbo cargador o múltiple de escape y los extremos del silenciador.
b) Si la tubería tiene una extensión mayor de 6 metros se deberá considerar aumentar su diámetro de acuerdo a la Tabla C.
c) Los codos a usarse serán preferiblemente de radio largo. Tendrán un radio de curvatura de por lo menos 1.5 veces el diámetro de la tubería
Para calcular la contrapresión P en una tubería de escape es la siguiente:
DP=(L x ɣgas x Q²)/(5184D5) psi
En donde:
ɣgas = Peso específico de los gases (lb/ft³). Varia con la temperatura absoluta de los gases de acuerdo a la ecuación: ɣgas= 41/(460+T(°F)).
Q = Flujo de gases (ft³/min).
L = Largo de la Tubería en pies. Se debe considerar el largo equivalente de los codos.
D = Diámetro de la tubería (en pulgadas). En los equipos que tienen dos líneas de salida se considera 2D
Tabla B. Datos para cálculo de contrapresión de algunas plantas.
|
Modelo motor |
Capacidad de Planta Eléctrica (kW) |
Flujo de gases a 1800 rpm |
Temperatura de gases |
Contra presión permitida |
Diámetro de salida (pulg.) |
|||
|
Perkins |
ft³/min |
m³/min |
(°F) |
(°C) |
(pulg*H2O) |
(mm*H2O) |
||
|
403D-11G |
10 |
138 |
65 |
1005 |
540 |
60(15 kPa) |
1530 |
2 |
|
404D-22G |
20 |
296 |
140 |
1150 |
621 |
60(15 kPa) |
1530 |
2 |
|
404D-22TG |
29 |
459 |
7.5 |
1040 |
530 |
40(10 kPa) |
1020 |
2 |
|
1103A-33G |
30 |
226 |
6.4 |
932 |
500 |
32(8 kPa) |
816 |
2.2 |
|
1103A-33TG1 |
46 |
335 |
9.5 |
1024 |
551 |
60(15 kPa) |
1530 |
2.2 |
|
1103A-33TG2 |
60 |
356 |
10.1 |
1035 |
557 |
60(15 kPa) |
1530 |
2.2 |
|
1104A-44TG2 |
80 |
688 |
19.5 |
937 |
503 |
60(15 kPa) |
1530 |
2 1/2 |
|
1104C-44TAG2 |
100 |
720 |
20.4 |
957 |
514 |
60(15 kPa) |
1530 |
2 1/2 |
|
1106D-E66TAG3 |
150 |
1042 |
30.7 |
876 |
469 |
60(15 kPa) |
1530 |
3 1/2 |
|
1106D-E66TAG4 |
175 |
1254 |
35.5 |
999 |
537 |
60(15 kPa) |
1530 |
3 1/2 |
|
2506A-E15TAG3 |
450 |
3780 |
105 |
1094 |
590 |
24(6 kPa) |
611 |
6 |
|
2506A-E15TAG4 |
500 |
3955 |
112 |
1094 |
590 |
24(6 kPa) |
611 |
6 |
Página 13
6.3 INSTALACIÓN
6.3.1 Se deberá colocar un segmento de tubería flexible, entre la salida de gases del motor y la tubería de escape, con el doble propósito de aislar las vibraciones y servir de junta de expansión. Este segmento de tubería no deberá ser doblado, ni usado para compensar desalineaciones de la tubería.
6.3.2 El silenciador y la tubería de escape deberán estar soportados de forma que no ejerzan ningún peso sobre la salida de gases del motor, para evitar daños al turbo cargador.

6.3.3 La tubería de escape deberá ser aislada si existe la posibilidad de contacto personal o pasa a menos de 30 cms. de paredes o ductos de materiales combustibles.
6.3.4 Las secciones de tubería que tengan 3 metros o más, si corren en sentido horizontal tendrán una ligerísima pendiente (2%) de forma tal que el extremo más bajo no sea el del silenciador.
6.3.5 Si la descarga de la tubería está en posición vertical, deberá llevar tapa protectora contra lluvia, que abra con la presión de los gases y cierre cuando no halla flujo.
6.3.6 Si la descarga de la tubería está en posición horizontal deberá tener un corte de 45° en relación con la horizontal para prevenir la entrada de agua de lluvia.
Página 14
Figura 5. Tipos de salida de escape.
6.3.7 Si la descarga de la tubería está en posición horizontal en dirección a la calle se instalará a una altura mínima de 3 metros por encima de la acera, en plantas menores de 100 kW. En plantas mayores, la altura deberá ser mínimo de 4.50 metros.
Tabla C. Aumento de diámetro por longitud de tuberías.
|
Diámetro de Tuberías (en Pulgadas) |
||||
|
Salida del motor |
Hasta 6 metros |
6 – 12 metros |
12-18 metros |
18-24 metros |
|
2 |
2 |
2 |
3 |
3 |
|
3 |
3 |
4 |
4 |
4 |
|
4 |
4 |
5 |
5 |
6 |
|
5 |
5 |
6 |
6 |
8 |
|
6 |
6 |
6 |
8 |
8 |
|
8 |
8 |
8 |
10 |
10 |
|
10 |
10 |
10 |
12 |
12 |
6.3.7 La tubería de los gases de escape no deberá conectarse con otras tuberías de escape de otras plantas de emergencia u otros equipos, tales como hornos y calderas, para evitar la exposición de la planta a gases de altas temperaturas y a condensaciones corrosivas, mientras el equipo no se encuentra en uso.
Página 15
Figura 6. Tipos de salida de escape.
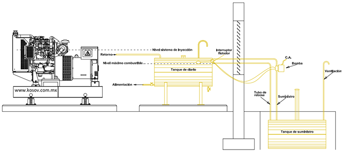
7 SUMINISTRO DE COMBUSTIBLE
7.1 CONCEPTOS GENERALES
7.1.1 Tanque de día de combustible
7.1.1 En la instalación del sistema de combustible deberá garantizarse que la limpieza sea completa y efectiva. Se deberá impedir la entrada de humedad, suciedad o de contaminantes de cualquier tipo.
7.2 TUBERÍAS DE COMBUSTIBLE
7.2.1 Las tuberías de combustible estarán convenientemente soportadas y protegidas contra daños físicos o esfuerzos excesivos ocasionados por vibración, expansión o contracción.
7.2.2 Las tuberías de combustible serán de hierro negro. El uso de tuberías galvanizadas o de cobre no están permitidas.
7.2.3 En ningún caso las tuberías de combustible –alimentación y retorno- podrán ser de un diámetro menor que la de las plantas eléctricas de emergencia.
7.2.4 En su acoplamiento con la entrada y retorno de combustible de la planta eléctrica, la tubería deberá ser flexible para evitar la transmisión de vibraciones que podrían afectar la propia línea combustible.
7.2.5 se verificará que la tubería no tenga fugas o goteos. Aparte del peligro que esto representa, puede ocasionar, en la línea de suministro, la entrada de aire que causaría una operación errática y fallas en el arranque.
7.2.6 El sistema de tuberías contendrá suficientes válvulas para controlar el flujo de combustible, tanto en operación normal de mantenimiento, así como en fugas y otros.
7.2.7 El tanque de combustible en ningún caso se instalará por encima de la bomba de combustible del motor.
7.2.8 Es altamente recomendable utilizar llaves de paso de compuerta en el sistema de combustible.
7.3 TANQUE DE SUMINISTRO
Nota importante. En plantas eléctricas de emergencia más nuevos el tanque de suministro ya viene instalado, se puede instalar un tanque adicional para mayor capacidad de independencia del equipo.
Página 16
7.3.1 Tanque se suministro se instalará lo más cerca posible de la planta eléctrica de emergencia y preferentemente al mismo nivel de la planta eléctrica, y así la bomba de combustible del equipo pueda tener un desempeño óptimo al succionar el combustible. Los inyectores nunca quedarán por debajo del nivel máximo del combustible.
7.3.2 Se debe disponer de un 5% de la capacidad del tanque para permitir la expansión debido a cambios de temperatura.
7.3.3 Si el tanque es elevado, con relación a la planta eléctrica de emergencia, será necesario instalar un tanque de diario o también llamado de transferencia con una válvula de nivel para prevenir una sobre presión en el suministro.
7.3.4 Si el tanque es instalado por debajo del nivel de la planta eléctrica de emergencia, y la bomba de combustible del motor “no” tenga capacidad de levante del combustible, será necesario instalar una bomba de combustible auxiliar, para alimentar combustible del tanque de suministro al tanque de diario (si se usa).
7.3.5 No instalar el nunca el tanque debajo de líneas de baja o de alta tensión eléctrica.
7.4 TANQUE DE DIARIO
7.4.1 El tanque de diario se utiliza en las siguientes circunstancias:
1. Cuando el tanque de suministro está elevado y ejerce demasiada presión en los inyectores de la planta o en la línea de retorno.
2. Cuando no sea suficiente la capacidad de levante de la bomba de combustible del motor, o el tanque de suministro esté muy lejos. Se instalará una bomba adicional.
7.4.2 En caso de que el tanque de diario se llene con una bomba auxiliar de operación automática se instalará una línea de retorno desde el tanque principal, previniendo algún desperfecto del nivel.
Figura 7. Instalación sistema de escape.

Página 17
8 TABLERO DE CONTROL Y TRANSFERENCIA
8.1 CONCEPTOS GENERALES
8.1.1 Para que la planta eléctrica de emergencia funcione de forma automática es necesario utilizar un tablero de control y transferencia, en uso alternativo deberá estar conectada a la carga eléctrica a través de un interruptor de transferencia para impedir la interconexión inadvertida de la planta eléctrica con el sistema de suministro normal.
8.1.2 En las plantas eléctricas trifásicas se comprobará que la secuencia de fases sea la misma de la compañía de suministro (normal).
8.2 LUGAR DE INSTALACIÓN
8.2.1 No deberá instalarse sobre el armario del generador, ni en ninguna estructura sometida a vibraciones, ni que tenga humedad en muros o riesgos de inundación.
8.2.2 Instalar el tablero lo más cerca posible del interruptor general o tablero de distribución que se va a alimentar, esto con el fin de disminuir el calibre y la cantidad de cable a utilizar (no tiene que ser exactamente como en la figura 1).
8.3 CABLEADO DE FUERZA (C.A.)
8.3.1 Se considera cableado de fuerza al que se utiliza para canalizar la energía de corriente alterna que viene de la red local (Alimentación normal), la que es generada por la planta eléctrica (Alimentación Emergencia), y la que va a la carga final.(Carga).
8.3.2 Este cableado deberá se canalizado por separado del cableado de control (C.D.), ya sea en tubería, canaleta o ducto, esto con el fin de evitar la inducción magnética sobre los cables de control.
8.3.3 Cables de emergencia.- Canalizar y conectar cableado de emergencia (3 fases y neutro), entre el interruptor de la planta y el interruptor de emergencia (CE) del tablero de control y transferencia, el último tramo de la canalización a la planta eléctrica debe ser flexible, también se debe de canalizar en este ducto 2 cables calibre 12, para conectar el pre calentador, estos no deben ser conectados, solo dejarlos suficientemente largos para ser conectados (1.2m).
8.3.4 Cables de normal.- Canalizar los cables de alimentación comercial, estos cable regularmente viene del interruptor general o de cuchillas al contactor de normal (CN), y conectar el neutro en el barril de neutro con una zapata.
8.3.5 Cables de carga.- Estos cables deben ser conectados en la parte de abajo del contactor de emergencia (CE), de ahí regularmente van a un tablero de distribución (carga).
Características de la carga:
a) La carga a conectarse a la planta eléctrica de emergencia deberá estar balanceada en todas sus fases de forma tal que la diferencia de amperaje entre cada una de sus fases y el amperaje promedio no exceda el 12% del promedio.
b) El amperaje de la carga en ninguna de las fases deberá ser mayor que el amperaje de placa del generador.
c) El factor de potencia de la carga estará entre 0.8 (atrasado) y 1.0.
Página 18
8.4 CABLEADO DE CONTROL (C.D.)
8.4.1 Se considera cableado de control al que se utiliza para canalizar la energía de corriente directa que sirve para mandar información y señales entre: tablero de control y transferencia, y planta eléctrica para que esta última tenga una correcta operación.
8.4.2 Estos cables deberán ser canalizados en tubo cerrado independiente de los cables de fuerza de corriente alterna, con tubo flexible el tramo final de la conexión a la planta, esto con el fin de evitar alteración en la información que reciben los equipos.
8.4.3 El número y calibre de cables que se canalicen es el que indique el fabricante y deberán estar perfectamente identificados ya sea con números o color.
8.4.4 “NO” debe conectarse ninguno de estos cables, solo dejar el cable suficientemente largo (1.20 metros), dentro del tablero y tablilla de conexiones de la planta, para que el técnico que haga el arranque del equipo pueda hacer las conexiones necesarias.
Figura 7. Instalación Tablero de Control y Transferencia.

Página 19
9 ATERRIZAJE
9.1 CONCEPTOS GENERALES
9.1.1 La tierra es parte del sistema eléctrico, que se encarga de disipar en el suelo la energía que provenga de una descarga atmosférica, y evitar la presencia de voltajes peligrosos en las estructuras metálicas durante una falla a tierra, lo que lo convierte en un medio esencial para la protección de los equipos, ya que es indispensable para que las diferentes protecciones eléctricas se activen como son: fusibles, interruptores automáticos u otras protecciones especiales, en el momento y con la rapidez apropiada, primero, para evitar el daño al personal, y segundo, para evitar la falla de los equipos que se alimentan del sistema eléctrico.
9.1.2 Se deberán aterrizar todas las superficies metálicas que, bajo condiciones normales, puedan llegar a estar energizadas, como son:
1. El chasis de la planta eléctrica de emergencia.
2. El gabinete del interruptor termomagnético.
3. Las tuberías metálicas.
4. El gabinete del tablero de control y transferencia.
9.1.3 El electrodo de tierra estará tan cerca como sea posible y preferiblemente en la misma área de la planta eléctrica de emergencia.
9.1.4 El hilo de neutro del generador será aterrizado mediante su interconexión al electrodo de tierra de tierra. Esta conexión será hecha en el lado del generador antes de cualquier medio de protección o desconexión del sistema de emergencia.